Toggle navigation
首页
产品中心
伺服驱动器
伺服电机/防爆伺服电机
AGV舵轮系列
AGV差速轮组
电动转向轮
差速轮
驱动轮
下载中心
软件
选型手册
使用手册
图纸
资质认证
新闻中心
公司新闻
行业新闻
关于我们
关于我们
联系我们
中文
中文
英文
咨询热线:021-55897706
首页/
产品中心/
AGV舵轮系列/
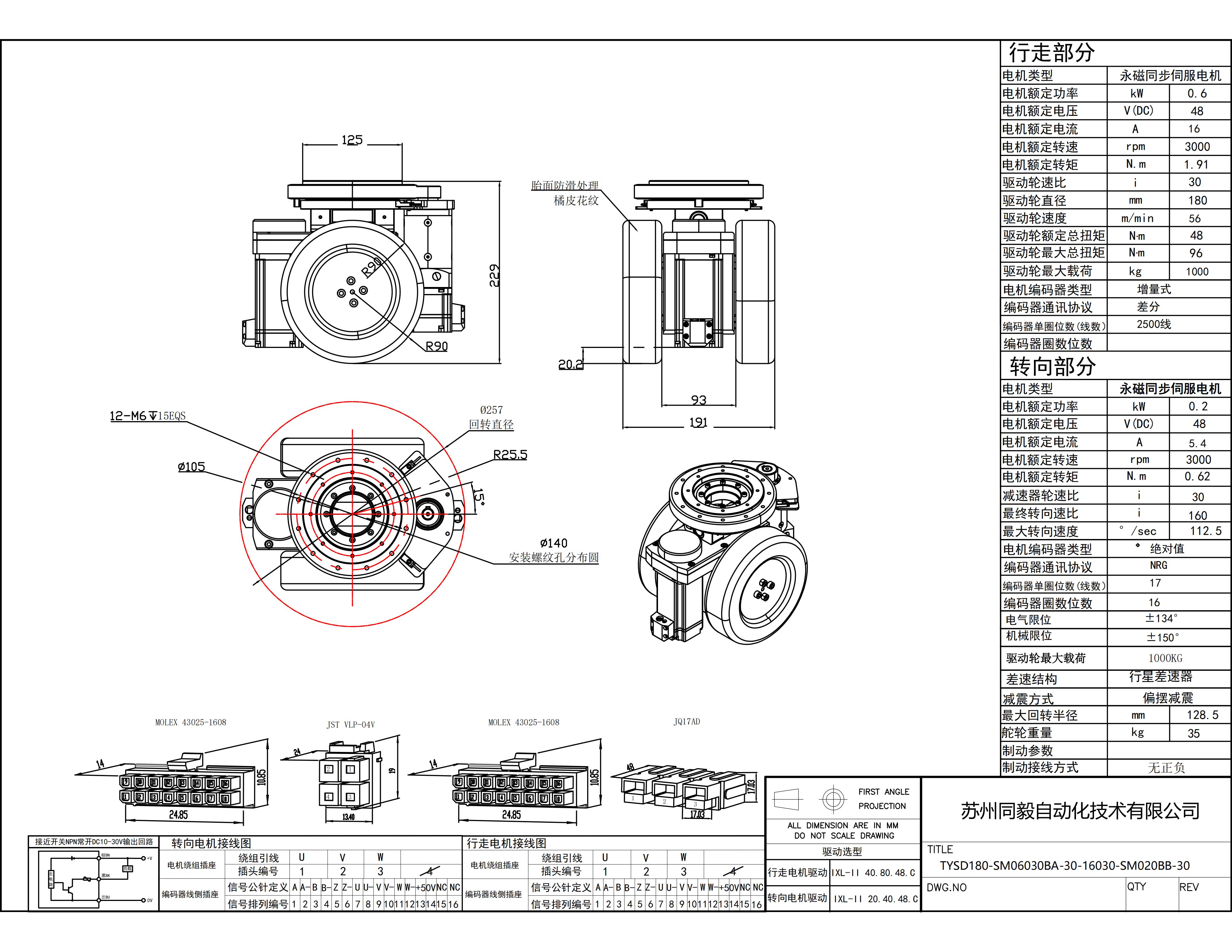
TYSD180差速舵轮-1T
600W/1T
速比:230
轮径:180
双轮差速器结构
承载:1T
功率:0.6KW
产品参数
资料下载
产品参数
资料下载
文档与手册
同毅TYD系列舵轮选型选型手册
2025-11-04
Zip
同毅TYD舵轮图纸(2D&3D)
2025-11-04
Zip
同毅舵轮配套驱动器图纸(2D&3D)
2025-011-04
Zip